×
搜索
搜索
网站导航
首 页
关于我们
产品中心
企业形象
联系我们
荣誉资质
合作客户
应用案例
视频展示
新闻资讯
您的位置:
首页
→
产品中心
→
USB母座系列
→
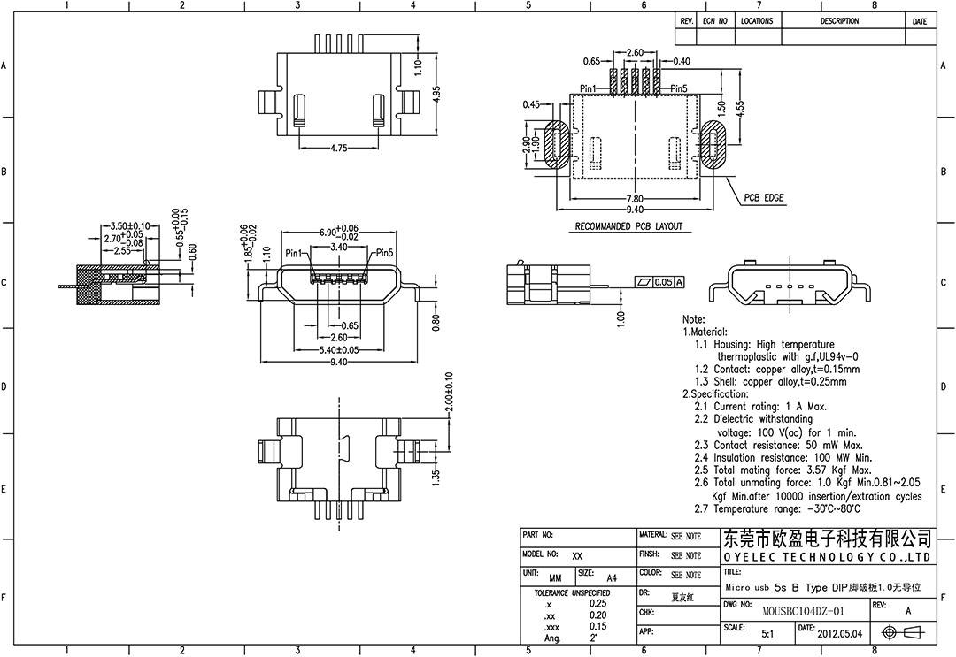
MICRO USB插座
MOUSBC104DZ-01
上一个:MOUSBC08DZ-138B
下一个:MOUSBC623MJ-01
详情介绍
点击下面图片查看原图
东莞市欧盈电子科技有限公司 版权所有