×
搜索
搜索
网站导航
首 页
关于我们
产品中心
企业形象
联系我们
荣誉资质
合作客户
应用案例
视频展示
新闻资讯
您的位置:
首页
→
产品中心
→
DC插座系列
→
其他DC插座
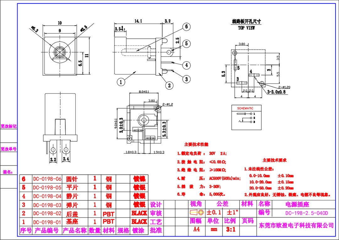
DC-012-2.0-040D
上一个:DC-015-2.0-040D
下一个:DC-052C-A-040D
详情介绍
点击下面图片查看原图
东莞市欧盈电子科技有限公司 版权所有