×
搜索
搜索
网站导航
首 页
关于我们
产品中心
企业形象
联系我们
荣誉资质
合作客户
应用案例
视频展示
新闻资讯
您的位置:
首页
→
产品中心
→
轻触开关系列
→
侧按轻触开关
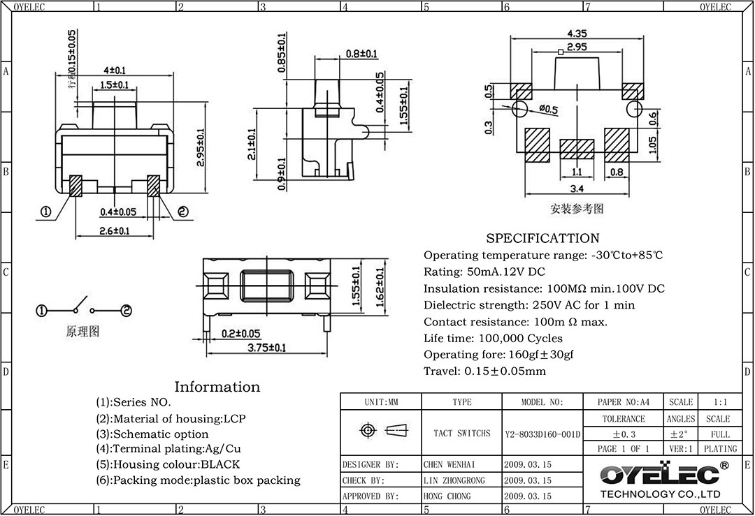
Y2-8033D160-001D
上一个:Y2-8064G3801-164D
下一个:Y2-8046DH055-250
详情介绍
点击下面图片查看原图
东莞市欧盈电子科技有限公司 版权所有